Prodej garáže, Těmice, 38 m2 (ID: 2138302)

Těmice


2 490 000 Kč /za nemovitost
HYPOTÉKA od 11 129 Kč /měs.
Regionální dodavatelé v Těmicích

Popis

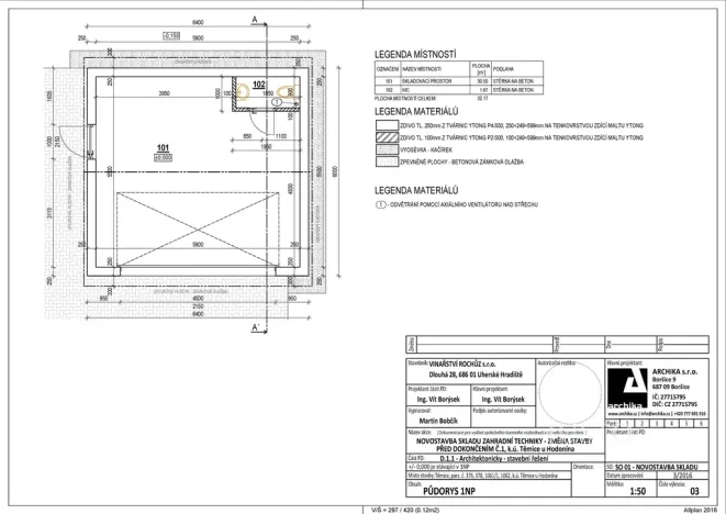
Ve výhradním zastoupení majitele Vám nabízím k prodeji oplocenou moderní zemědělskou stavbu – sklad zahradní techniky - dvojgaráž, s vodovodní přípojkou, splachovacím WC, umyvadlem a funkční elektroinstalací v mědi, s pozemkem o celkové výměře 2331 m².
Objekt byl dostavěn v roce 2021, a je vybaven elektronickým zabezpečovacím systémem s napojením na mobilní telefon.
✅ Kupujete tedy hotovou, jen 4 roky starou dvojgaráž pro dvě vozidla, s přípojkami inženýrských sítí, stačí tedy přistavit nepodsklepený bungalov a máte krásné bydlení s ideálním dosahem do Kyjova i Bzence.
📐 Technické parametry stavby:
- Rozměry: 6,4 × 6 m, výška hřebene 4,32 m
- Konstrukce: Ytong tl 250 mm, vazníkový krov, sedlová střecha s plechovou krytinou
- Podlaha: betonová, bez montážní jámy
- elektrická pojezdová vrata: 4500 × 2150 mm, vstupní dveře: 1000 × 2150 mm
- Přístřešek: rozšíření střechy o cca 18 m² pro skladování materiálu
⚙️ Inženýrské sítě:
- Elektroinstalace: NN rozvody, kabel NA YY 4x25mm², elektroměr
- Vodovod: napojení na veřejný řad, vodoměrná šachta
- Dešťové vody jsou svedeny do vsakovací jímky
- Kanalizace: jímka na vyvážení.
📍 Pozemky:
Celková výměra pozemků činí 2 331 m², z toho:
- plocha 1 127 m² je určena územním plánem obce k bydlení v rodinných domech (Br2)
- plocha 588 m² je určena územním plánem obce zahradou (ZS)
- plocha 616 m² je určena územním plánem obce ornou půdou.
Na příjezdové cestě je položena zámková dlažba 170 × 170 mm.
📌 Lokalita:
Obec Těmice se nachází v klidné lokalitě s výbornou dostupností:
Bzenec – 4 km
Kyjov a Veselí nad Moravou – 13 km
Majitel si vyhrazuje právo prodat nemovitost nejvýhodnější nabídce.
📞 Neváhejte nás kontaktovat pro více informací nebo domluvení prohlídkyoj

Cena
2 490 000 Kč /za nemovitost Spočítat hypotéku
Aktualizováno
16. 4. 2026
Adresa
Těmice
ID
J12576
Stavba
Cihlová
Stav objektu
Velmi dobrý
Patro
1.
Vybaveno
Ne
Typ objektu
Přízemní
Druh objektu
Samostatný
Lokalita objektu
Klidná část obce
Vlastnictví
Osobní
Užitná plocha
38 m2
Zastavěná plocha
39 m2
Podlahová plocha
40 m2
Plocha pozemku
2331 m2
Třída energetické náročnosti
G - Mimořádně nehospodárná
Elektřina
400V
Odpad
Jímka
Komunikace
Zpevněná
Doprava
Silnice
Voda
Vodovod
Garáž
Parkování

Máte zájem o tuto nemovitost?

Tímto, v souladu s nařízením Evropského parlamentu a Rady (EU) 2016/679, v platném znění, prohlašuji, že mi je alespoň 16 let a uděluji tak svůj souhlas se zpracováním zadaných údajů (jméno, telefon, e-mail, ip adresa) společnosti B3 Technology, s.r.o., IČ: 07330600, se sídlem Novostavby 126/23, 435 11 Lom (správce dat), za účelem předání dotazu z tohoto formuláře Vámi vybranému inzerentovi a zpětného kontaktování mé osoby. Osobní údaje bude správce zpracovávat manuálně i automaticky přímo prostřednictvím svých zaměstnanců. Informace předané tímto formulářem budou uloženy v databázi správce maximálně po dobu 10 let. Odvolání souhlasu s uložením a zpracováním poskytnutých dat lze e-mailem na info@realitymat.cz. V případě podezření na neoprávněné použití Vámi poskytnutých údajů máte právo předat podnět k šetření Úřadu pro ochranu osobních údajů. Více informací
Chystáte se prodat nemovitost?
Pomůžeme Vám!

Kontakt

Ing. Petr Fojtík

Ing. Petr Fojtík

Přihlášení k odběru

Nenechte si ujít nejnovější nabídky prodeje garáží v Těmicích (okr. Hodonín).

Podobné nabídky